金型作成

Injection mold

プログレスの金型作成の特徴

プログレスでは製品開発からプラスチック成形まで一貫して対応可能な人材・設備を有しており、試作金型から量産金型の製作までスピーディに対応可能です。また、長年培った高い技術力・提案力でお客様のニーズに合わせて小ロットはもちろん、様々な製品の量産化をサポートいたします。

Case

製品紹介

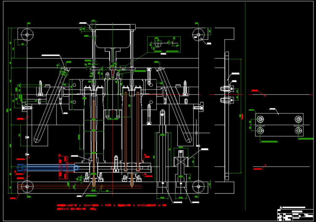
モータードライブ、ネジ抜き金型
ネジ抜きモーターを単動で2回路動かし、1製品に2か所のネジの形成が可能です。
二色成形金型
1製品に2種類の異なった樹脂を使用することで、2つの異なった性質をもたせることが可能です。
2プレート/3プレート金型
製品特性に合うようにご提案いたします。また金型材質のご提案もいたします。
駒入替対応金型
製品の形状が近いものなど対象に、ベースの流用を行い金型作成コスト削減を提案いたします。
フープ、インサート成形金型
フープ成形、インサート成形金型の提案、製造を行います。有人、自動機などの提案もいたします。